BRDS40 Cosel原厂非隔离式DC/DC转换器 快速发货

Cosel BRDS Series Non Isolated DC-DC Converters
Cosel BRDS Series DC-DC Converters have a PMBus interface for programming, margining and telemetry. The small size and high efficiency converters feature a wide input voltage range of 4.5V to 14.0V and offer fast transient response by robust control. The BRDS series has built-in overcurrent and thermal protection (auto recovery type) functions.
Features
Small size and high efficiency non-isolated DC-DC converter
Wide input voltage 4.5V to 14.0V
Fast transient response by Robust control
Built-in remote ON/OFF, Power good, Start-up sequence
Built-in overcurrent and thermal protection (auto recovery type) functions
PMBus interface for programming , margining ,and telemety
CE marking
Low Voltage Directive
Safety agency approvals
UL60950-1, C-UL, EN60950-1
BRDS40-R BRDS60-R BRDS60 BRDS100-R BRDS40 BRDS100
BRDS40 BRDS100 BRDS60 BRFS30 BRFS50 BRDS100-R BRDS40-R BRDS60-R
1 Output 非隔离式DC/DC转换器 , Non-Isolated / POL 非隔离式DC/DC转换器 , 1 Output 1 A 非隔离式DC/DC转换器 , Non-Isolated / POL 非隔离式DC/DC转换器 , 60 W 非隔离式DC/DC转换器 , 2 W 非隔离式DC/DC转换器
Part Number Output Voltage-Channel 1 Output Current-Channel 1 Package / Case Size
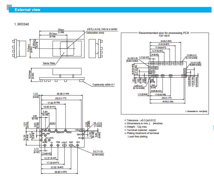
BRDS40 600 mV to 2 V 40 A 33 mm x 13.5 mm x 10.9 mm
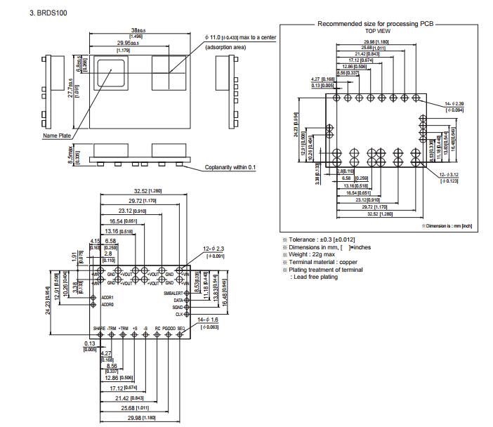
BRDS100 700 mV to 2 V 100 A 38 mm x 27.7 mm x 8.5 mm
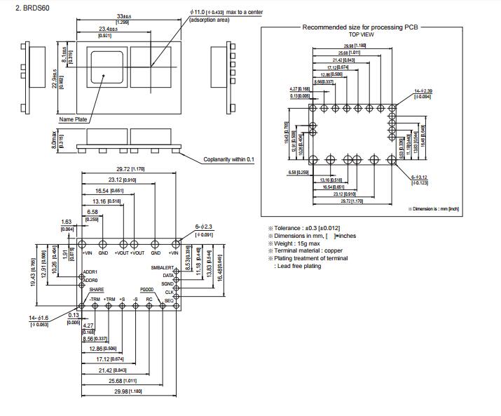
BRDS60 700 mV to 2 V 60 A 33 mm x 22.9 mm x 8 mm




